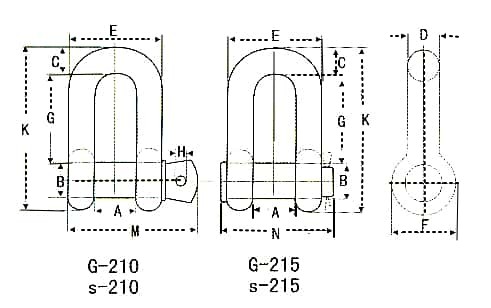
美式D型模锻卸扣
点击放大公司名称:泰州川宇吊装设备有限公司
产品型号:G-215 /S-215
产品简介:
·T (8) 级/S (6) 级,T8级为高级优质合金结构钢;S6级为优质合金结构钢。最大试验载荷为额定工作载荷的2倍,最小破断载荷为额定工作载荷的。
详细说明
![]()
Product产品中心 |
卸扣类
|
Product产品中心 |
卸扣类
|
|
版权所有 © 2007-2013
泰州川宇吊装设备有限公司
苏ICP备16057153号-2 苏公网安备 32120302000171号地址:泰州市高港科技创业园孔桥南街 电话:0523-82239606 传真:0523-89501393 高强纤维吊装带、起重链条成套索具、安全带、起重吊货网、钢板起重钳、冶金吊夹具、起重吊梁、钢丝绳索具 |