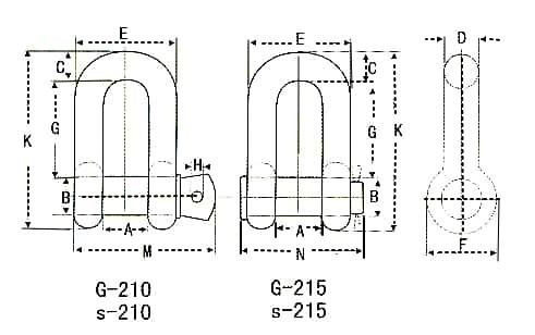
美式D型模锻卸扣
点击放大公司名称:泰州川宇吊装设备有限公司
产品型号:G-210 /S-210
产品简介:
。T8级2t-80t; S6级0.5t-55t。
。T8级为高级优质合金结构钢
。S6级为优质合金结构钢。
。最大试验载荷为额定工作载荷的2倍,最小破断载荷为额定工作载荷的4倍。
。2t-80tT8级卸扣比相同尺寸的S6级卸扣承载能力高40%-100%。
相同额定载荷的T8级卸扣和S6级卸扣相比尺寸减小了但是他们的额定载荷和功能却没有损失,主要用于空间有限的场合。
详细说明
![]()
Product产品中心 |
卸扣类
|




苏公网安备 32120302000171号